UCFB207带座外球面轴承 参数尺寸信息
轴承类型:
带座外球面轴承
国内新型号:
UCFB207
国内旧型号:
FB90507
内径(mm):
35.0000
外径(mm):
90.0000
宽度(mm):
46.0000
脂润滑转速:
-
(r/min)
Cor(kN):
-
Cr(kN):
-
油润滑转速:
-
(r/min)
重量(KG):
1.300
UCFB207 轴承型号对照
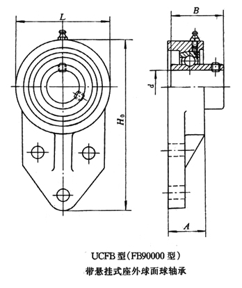
UCFB207带座外球面轴承 样本结构图
| 轴承类型 | 带座外球面轴承 | 规格(d×D×B) | - |
|---|---|---|---|
| 子分类 | 带悬挂式座外球面球轴承 | 国内旧型号 | FB90507 |
| 国内新型号 | UCFB207 | 重量(kg) | 1.300 |
内径:35.0000,外径:90.0000,宽度:46.0000,同尺寸的进口轴承型号
内径:35.0000,外径:90.0000,宽度:46.0000,同尺寸的国产轴承型号
国产 UCFB207
国产 UK308+H2308
带座外球面轴承类型介绍
带座外球面球轴承由两面带密封的外球面球轴承和铸造的(或钢板冲压的)轴承座组成。外球面球轴承的内部结构与深沟球轴承相同,但此种轴承的内圈宽于外圈.外圈具有截球形外表面,与轴承座的凹球面相配能自动调心。通常此种轴承的内孔与轴之间有间隙,用顶丝,偏心套或紧定套将轴承内圈固定在轴上,并随轴一起转动。带座轴承结构紧凑,装卸方便,密封完善,适用于简单支承,常用于采矿.冶金.农业.化工.纺织.印染.输送机械等。
